Menu
Konto
0
Ulubione
0
Koszyk
Biuro:
tel. +48 (81) 710 11 25
pon.-pt.: 8:00 – 18:00
Darmowa dostawa od 200 zł
Sprawdź
Blog
Oddziały hurtowe
Polski / PLN
Wyświetl cenę
0
0
Koszyk:
0,00 zł
Kategorie
Producenci
Promocje
Konfiguratory
Strefa porad
Programy partnerskie
Zostań naszym klientem
Kontakt
Strona główna
Kablowe systemy nośne
Łącznik do wsporników/szyn profilowanych
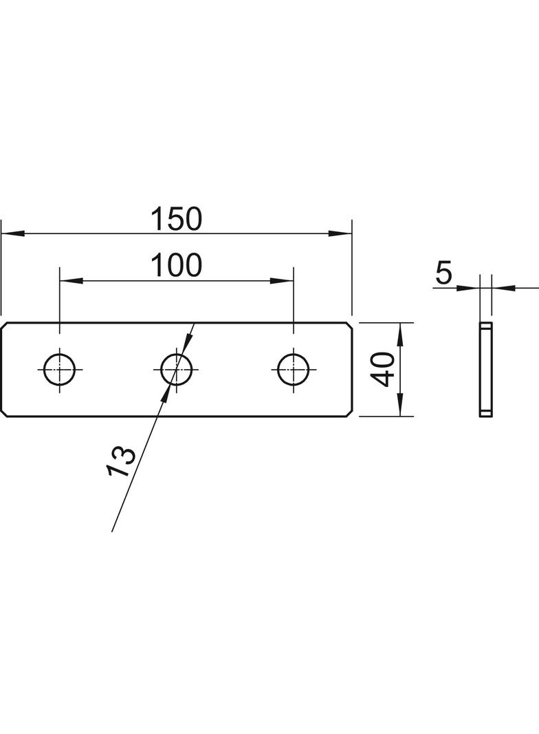
GMS 3 VP FT, PŁYTA ŁĄCZ. 3 OTW. FT
OBO BETTERMAN
GMS 3 VP FT, PŁYTA ŁĄCZ. 3 OTW. FT
Kod produktu
867253
EAN
4012195486039
Jednostka
szt
Numer katalogowy
1124647
Link do producenta
OBO BETTERMAN
Podstawowe dane techniczne
ETIM
EC000483
24h
Magazyn: 0
14 dni
Producent: 0
Punkty w Elektroklub: pt.
Dodaj do ulubionych
Opis produktu
Płyta łącząca z 3 otworami do łączenia wzdłużnego szyn profilowych 41 × 41 mm i 41 × 21 mm.
Dane techniczne
ETIM:
EC000483
Numer katalogowy:
1124647