Biuro: tel. +48 (81) 710 11 25 pon.-pt.: 8:00 – 18:00
Darmowa dostawa od 200 zł Sprawdź
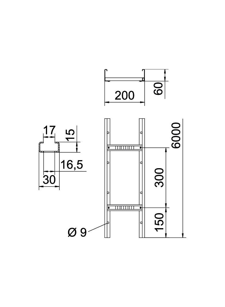
DRABINKA LG 60X200 VA
DRABINKA LG 60X200 VA
DRABINKA LG 60X200 VA
DRABINKA LG 60X200 VA
OBO BETTERMAN

DRABINKA LG 60X200 VA

Kod produktu188509
EAN4012195064411
Jednostkam
Numer katalogowy6208700
Link do producentaOBO BETTERMAN
Podstawowe dane techniczne
ETIM
EC000854
24h
Magazyn: 0
14 dni
Producent: 0
Punkty w Elektroklub: pt.

Drabina kablowa z perforowaną ścianą boczną o wysokości boku 60 mm połączoną nitami, otwartymi od góry, ze szczeblami profilu C (wersja VS).

Akcesoria
LVG 60, ŁĄCZNIK WZDŁUŻNY LVG 60 VA
SKH 60 OR, Nasadka ochronna SKH 60
SKH 60 OR, Nasadka ochronna SKH 60
24h
Magazyn: 0
14 dni
Producent: 120
DRL/200, POKR.Z RYGLAMI 200MM VA4301
DRL/200, POKR.Z RYGLAMI 200MM VA4301
24h
Magazyn: 0
14 dni
Producent: 66
TSG 45 VA4301, Przegroda
TSG 45 VA4301, Przegroda
24h
Magazyn: 0
14 dni
Producent: 0
KS KL VA4310, ZACISK KS KLVA4
KS KL VA4310, ZACISK KS KLVA4
24h
Magazyn: 0
14 dni
Producent: 150