Biuro: tel. +48 (81) 710 11 25 pon.-pt.: 8:00 – 18:00
Darmowa dostawa od 200 zł Sprawdź
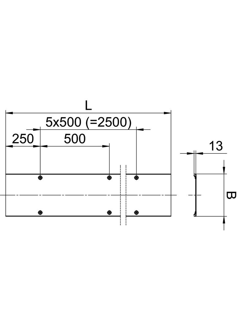
DF BKR50 FS AL, Pokrywa
DF BKR50 FS AL, Pokrywa
DF BKR50 FS AL, Pokrywa
DF BKR50 FS AL, Pokrywa
OBO BETTERMAN

DF BKR50 FS AL, Pokrywa

Kod produktu869604
EAN4012196146888
Jednostkam
Numer katalogowy6049189
Link do producentaOBO BETTERMAN
Podstawowe dane techniczne
ETIM
EC002403
24h
Magazyn: 0
14 dni
Producent: 0
Punkty w Elektroklub: pt.

Pokrywy do systemu koryt kablowych BKRS. Materiał bazowy ocynkowany, o grub. stali 2 mm, pokryty antypoślizgową płytą ryflowaną wykonaną z aluminium o grubości 4 mm. Zamki obrotowe w odległości 500 mm.