:fill(white)/6a301b455031d801d76f293a08e16989.jpg)
:fill(white)/00f7928475dc408032bbfc1e0c7c0bc0.jpg)
:fill(white)/b18ae30edc384c99989a829ddf26befa.jpg)
:fill(white)/6a301b455031d801d76f293a08e16989.jpg)
:fill(white)/00f7928475dc408032bbfc1e0c7c0bc0.jpg)
:fill(white)/b18ae30edc384c99989a829ddf26befa.jpg)
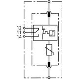
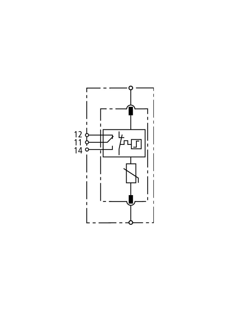
Jednobiegunowy ogranicznik przepięć DEHNguard S (typ 2 zgodnie z normą PN-EN 61643-11) składający się z podstawy i wymiennego modułu ochronnego. Wysoka niezawodność dzięki urządzeniu kontrolno-odłączającemu “Thermo Dynamic Control”. Do ochrony instalacji niskiego napięcia przed przepięciami. Do stosowania zgodnie ze Strefową Koncepcją Ochrony Odgromowej jako przejście pomiędzy strefami 0B – 1 i wyżej.