Menu
Konto
0
Ulubione
0
Koszyk
Biuro:
tel. +48 (81) 710 11 25
pon.-pt.: 8:00 – 18:00
Darmowa dostawa od 200 zł
Sprawdź
Blog
Oddziały hurtowe
Polski / PLN
Wyświetl cenę
0
0
Koszyk:
0,00 zł
Kategorie
Producenci
Promocje
Konfiguratory
Strefa porad
Programy partnerskie
Zostań naszym klientem
Kontakt
Strona główna
Elementy mocujące do kabli i rur
Obejma mocująca
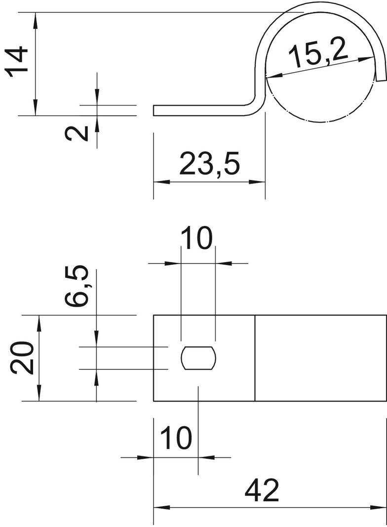
822, OBEJMY MOCUJĄCE PG9 OC
OBO BETTERMAN
822, OBEJMY MOCUJĄCE PG9 OC
Kod produktu
181929
EAN
4012195013877
Jednostka
szt
Numer katalogowy
1014099
Link do producenta
OBO BETTERMAN
Podstawowe dane techniczne
ETIM
EC000127
24h
Magazyn: 0
14 dni
Producent: 0
Punkty w Elektroklub: pt.
Dodaj do ulubionych
Opis produktu
Obejma mocująca jednołapkowa 16mm
Dane techniczne
Numer katalogowy:
1014099
ETIM:
EC000127
Pliki do pobrania
2
Deklaracja RoHS
1014099-RoHS.pdf
Karta produktu
822_16_FT-1014099-pl_PL.pdf