Menu
Konto
0
Ulubione
0
Koszyk
Biuro:
tel. +48 (81) 710 11 25
pon.-pt.: 8:00 – 18:00
Darmowa dostawa od 200 zł
Sprawdź
Blog
Oddziały hurtowe
Polski / PLN
Wyświetl cenę
0
0
Koszyk:
0,00 zł
Kategorie
Producenci
Promocje
Konfiguratory
Strefa porad
Programy partnerskie
Zostań naszym klientem
Kontakt
Strona główna
Kablowe systemy nośne
Łącznik do kablowych systemów nośnych
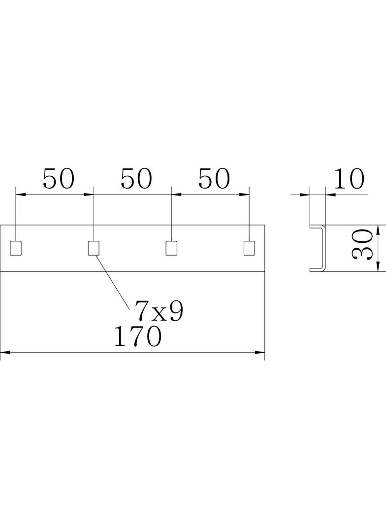
SLV 42 ALU Łącznik wzdłużny
OBO BETTERMAN
SLV 42 ALU Łącznik wzdłużny
Kod produktu
1267983
EAN
4012196519224
Jednostka
szt
Numer katalogowy
7103552
Link do producenta
OBO BETTERMAN
Podstawowe dane techniczne
ETIM
EC002413
24h
Magazyn: 0
14 dni
Producent: 0
Punkty w Elektroklub: pt.
Dodaj do ulubionych
Opis produktu
Łączniki wzdłużne do łączenia drabin kablowych i kształtek o wysokości boku 25 mm.
Dane techniczne
Numer katalogowy:
7103552
ETIM:
EC002413