:fill(white)/e6020777d0fc1ff8035c53110dcc70e0.jpg)
:fill(white)/28715bc6f9b986b39156bfdd9f1e2404.jpg)
:fill(white)/dbd85ded1661879bf61ac696a3689860.jpg)
:fill(white)/e6020777d0fc1ff8035c53110dcc70e0.jpg)
:fill(white)/28715bc6f9b986b39156bfdd9f1e2404.jpg)
:fill(white)/dbd85ded1661879bf61ac696a3689860.jpg)
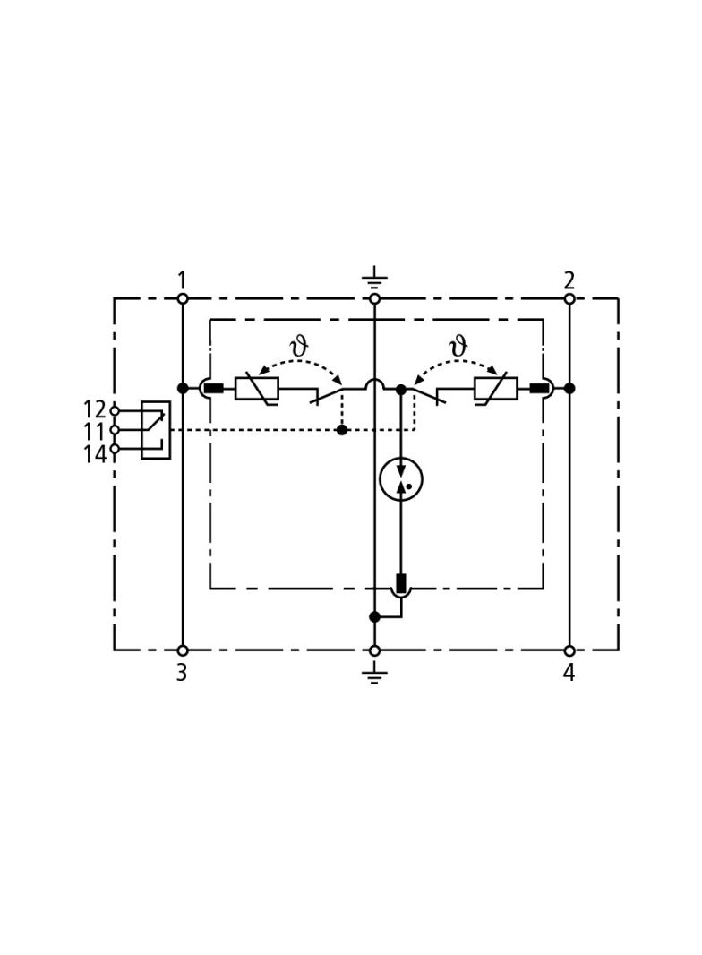
Dwubiegunowy ogranicznik przepięć DEHNrail modular, typ 3 zgodny z EN 61643-11, składający się z podstawy i wymiennego modułu ochronnego. Wysoka zdolność odprowadzania prądów udarowych dzięki zastosowaniu skutecznej kombinacji warystorów z tlenku cynku i iskierników. Do ochrony obwodu zasilania urządzeń elektroniki przemysłowej przed przepięciami przejściowymi w szafach rozdzielczych. Do stosowania zgodnie ze strefową koncepcją ochrony odgromowej jako przejście pomiędzy strefami 1 – 2 i wyżej.