:fill(white)/b39554d32544543be022bcc0c8663283.jpg)
:fill(white)/0b554af3829e17c8e8a76108ca9e51d6.jpg)
:fill(white)/3bd57ee956ba7148a2868f8d0d4f066f.jpg)
:fill(white)/b39554d32544543be022bcc0c8663283.jpg)
:fill(white)/0b554af3829e17c8e8a76108ca9e51d6.jpg)
:fill(white)/3bd57ee956ba7148a2868f8d0d4f066f.jpg)
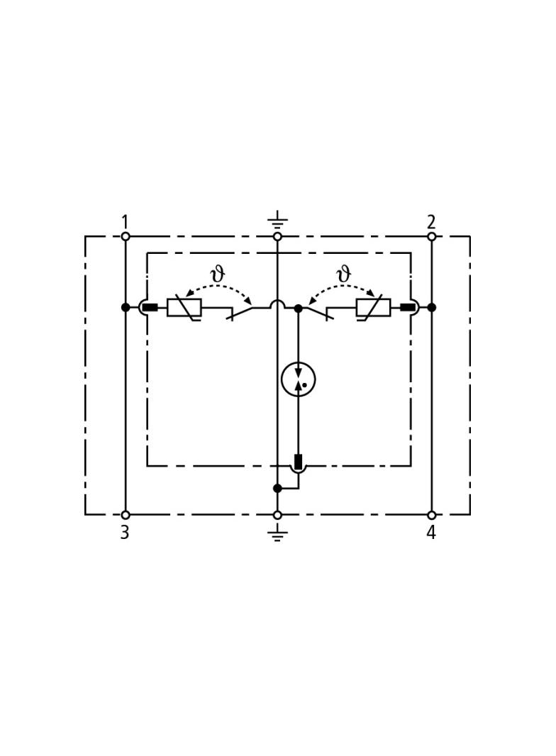
Dwubiegunowy ogranicznik przepięć DEHNrail modular, typ 3 zgodny z EN 61643-11, składający się z podstawy i wymiennego modułu ochronnego. Wysoka zdolność odprowadzania prądów udarowych dzięki zastosowaniu skutecznej kombinacji warystorów z tlenku cynku i iskierników. Do ochrony obwodu zasilania urządzeń elektroniki przemysłowej przed przepięciami przejściowymi w szafach rozdzielczych. Do stosowania zgodnie ze strefową koncepcją ochrony odgromowej jako przejście pomiędzy strefami 1 – 2 i wyżej.