:fill(white)/ff8689ec9cfb8695539336ec7ec1bd12.jpg)
:fill(white)/c9a1d5b3da2bb2051ddda3f454c82339.jpg)
:fill(white)/465b1debc18bf57ebeb720fe039aecaa.jpg)
:fill(white)/ff8689ec9cfb8695539336ec7ec1bd12.jpg)
:fill(white)/c9a1d5b3da2bb2051ddda3f454c82339.jpg)
:fill(white)/465b1debc18bf57ebeb720fe039aecaa.jpg)
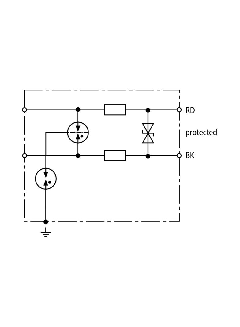
Skoordynowany energetycznie dwustopniowy ogranicznik z obwodem ochronnym o niskiej pojemności do ochrony iskrobezpiecznych obwodów pomiarowych i systemów magistralnych, spełnia wymagania FISCO. Wytrzymałość izolacji > 500 V linia-ziemia. Dławice kablowe należy zamawiać oddzielnie.