Biuro: tel. +48 (81) 710 11 25 pon.-pt.: 8:00 – 18:00
Darmowa dostawa od 200 zł Sprawdź
Ogranicznik przepięć DEHNpipe
Ogranicznik przepięć DEHNpipe
Ogranicznik przepięć DEHNpipe
Ogranicznik przepięć DEHNpipe
Ogranicznik przepięć DEHNpipe
Ogranicznik przepięć DEHNpipe
DEHN POLSKA sp. z o. o.

Ogranicznik przepięć DEHNpipe

Kod produktu1028062
EAN4013364101814
Jednostkaszt
Numer katalogowy929964
Link do producentaDEHN POLSKA sp. z o. o.
Podstawowe dane techniczne
Kraj pochodzenia
Niemcy
ETIM
EC000943
Waga
0.169
24h
Magazyn: 0
14 dni
Producent: 0
Punkty w Elektroklub: pt.

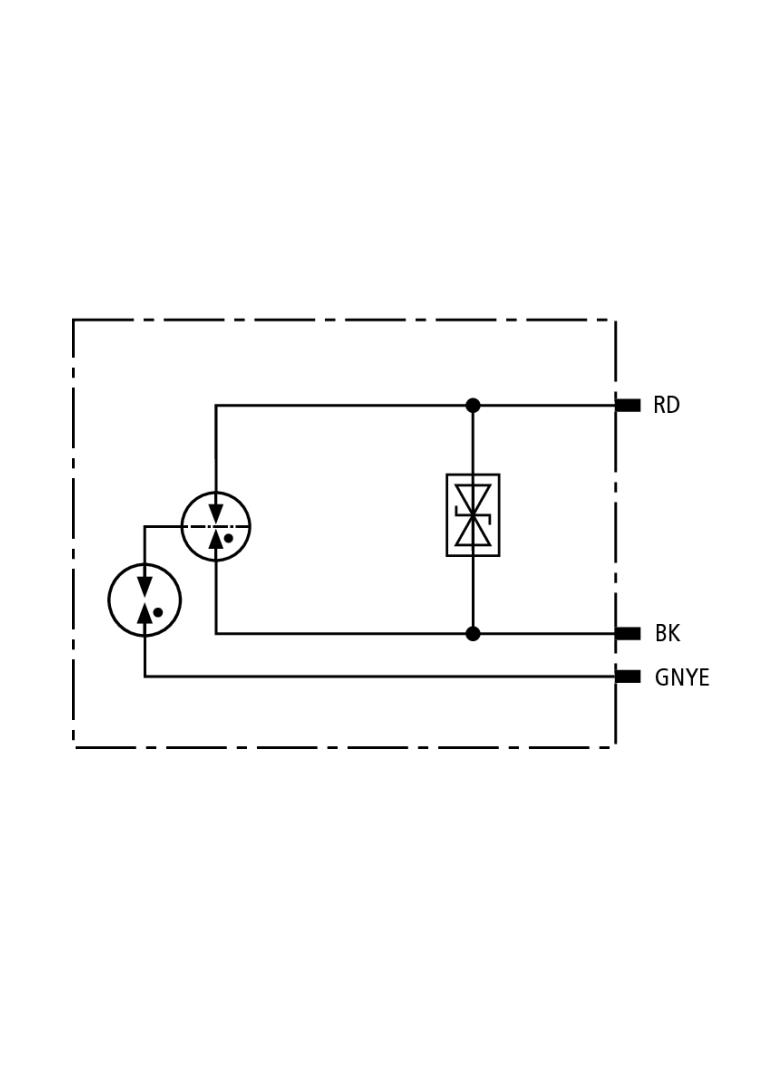
Ogranicznik przepięć z obwodem ochronnym o niskiej pojemności w hermetycznej obudowie ciśnieniowej do stosowania w strefach zagrożonych wybuchem w celu ochrony obwodów pomiarowych i systemów magistralnych. Wytrzymałość izolacji > 500 V linia-ziemia.

Akcesoria
Pierścień uziemiający M20 do DEHNpipe
Dławica kablowa M20 z mosiądzu
Dławica kablowa M20 z mosiądzu