Biuro: tel. +48 (81) 710 11 25 pon.-pt.: 8:00 – 18:00
Darmowa dostawa od 200 zł Sprawdź
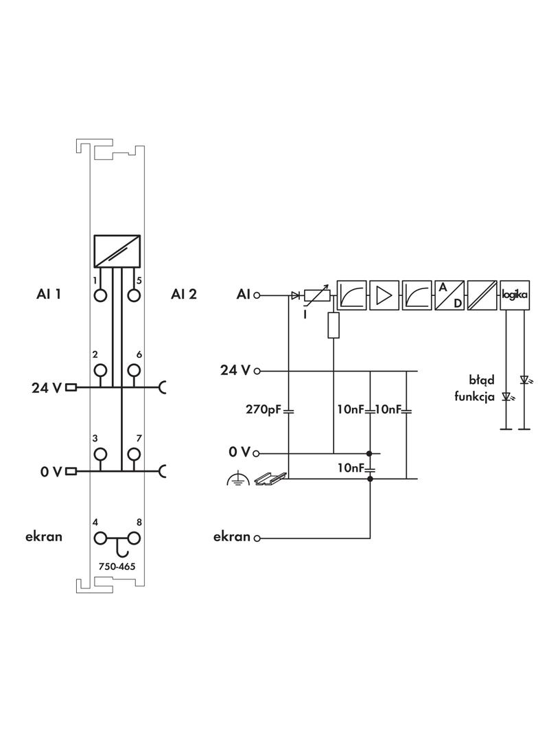
moduł wejść analogowych 2-kanałowy 0-20 mA
moduł wejść analogowych 2-kanałowy 0-20 mA
moduł wejść analogowych 2-kanałowy 0-20 mA
moduł wejść analogowych 2-kanałowy 0-20 mA
WAGO ELWAG

moduł wejść analogowych 2-kanałowy 0-20 mA

Kod produktu1040548
EAN4045454976019
Jednostkaszt
Numer katalogowy750-465/025-000
Link do producentaWAGO ELWAG
Podstawowe dane techniczne
Kraj pochodzenia
Niemcy
ETIM
EC001596
24h
Magazyn: 0
14 dni
Producent: 0
Punkty w Elektroklub: pt.

moduł wejść analogowych 2-kanałowy; 0 … 20 mA; wejścia niesymetryczne; rozszerzony zakres temperatury