Menu
Konto
0
Ulubione
0
Koszyk
Biuro:
tel. +48 (81) 710 11 25
pon.-pt.: 8:00 – 18:00
Darmowa dostawa od 200 zł
Sprawdź
Blog
Oddziały hurtowe
Polski / PLN
Wyświetl cenę
0
0
Koszyk:
0,00 zł
Kategorie
Producenci
Promocje
Konfiguratory
Strefa porad
Programy partnerskie
Zostań naszym klientem
Kontakt
Strona główna
Przemysłowe Programowalne Sterowniki Logiczne PLC
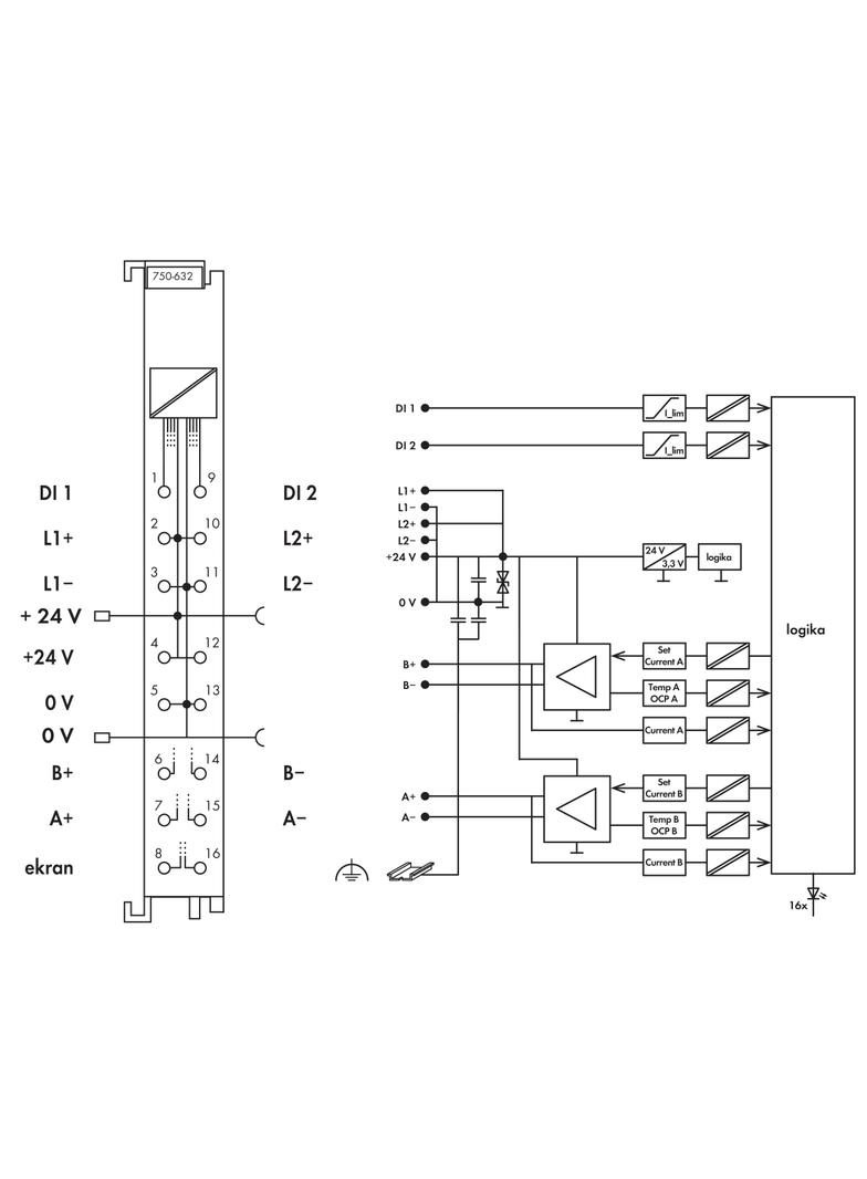
Fieldbus, system rozproszony - moduł funkcyjny / technologiczny
moduł do zaworów proporcjonalnych
WAGO ELWAG
moduł do zaworów proporcjonalnych
Kod produktu
1040590
EAN
4050821782346
Jednostka
szt
Numer katalogowy
750-632
Link do producenta
WAGO ELWAG
Podstawowe dane techniczne
ETIM
EC001601
Kraj pochodzenia
Niemcy
24h
Magazyn: 0
14 dni
Producent: 0
Punkty w Elektroklub: pt.
Dodaj do ulubionych
Opis produktu
moduł do zaworów proporcjonalnych
Dane techniczne
ETIM:
EC001601
Kraj pochodzenia:
Niemcy
Numer katalogowy:
750-632