Biuro: tel. +48 (81) 710 11 25 pon.-pt.: 8:00 – 18:00
Darmowa dostawa od 200 zł Sprawdź
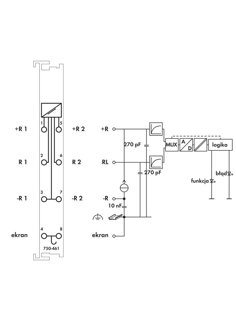
moduł 2AI Pt 100/RTD
moduł 2AI Pt 100/RTD
moduł 2AI Pt 100/RTD
moduł 2AI Pt 100/RTD
WAGO ELWAG

moduł 2AI Pt 100/RTD

Kod produktu490696
EAN4045454487188
Jednostkaszt
Numer katalogowy750-461/000-200
Link do producentaWAGO ELWAG
Podstawowe dane techniczne
Kraj pochodzenia
Niemcy
ETIM
EC001596
24h
Magazyn: 0
14 dni
Producent: 0
Punkty w Elektroklub: pt.

moduł wejść analogowych 2-kanałowy; do rezystancyjnych czujników temperatury Pt100-/RTD; format danych Simatic S5