Menu
Konto
0
Ulubione
0
Koszyk
Biuro:
tel. +48 (81) 710 11 25
pon.-pt.: 8:00 – 18:00
Darmowa dostawa od 200 zł
Sprawdź
Blog
Oddziały hurtowe
Polski / PLN
Wyświetl cenę
0
0
Koszyk:
0,00 zł
Kategorie
Producenci
Promocje
Konfiguratory
Strefa porad
Programy partnerskie
Zostań naszym klientem
Kontakt
Strona główna
Przemysłowe Programowalne Sterowniki Logiczne PLC
Fieldbus, system rozproszony - moduł wejść/wyjść analogowych
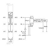
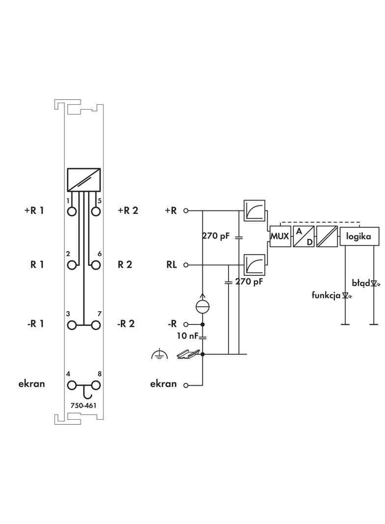
moduł 2AI Ni1000/RTD
WAGO ELWAG
moduł 2AI Ni1000/RTD
Kod produktu
490693
EAN
4045454487058
Jednostka
szt
Numer katalogowy
750-461/000-005
Link do producenta
WAGO ELWAG
Podstawowe dane techniczne
Kraj pochodzenia
Niemcy
ETIM
EC001596
24h
Magazyn: 0
14 dni
Producent: 0
Punkty w Elektroklub: pt.
Dodaj do ulubionych
Opis produktu
moduł wejść analogowych 2-kanałowy; do rezystancyjnych czujników temperatury Ni1000/RTD
Dane techniczne
Kraj pochodzenia:
Niemcy
Numer katalogowy:
750-461/000-005
ETIM:
EC001596