Biuro: tel. +48 (81) 710 11 25 pon.-pt.: 8:00 – 18:00
Darmowa dostawa od 200 zł Sprawdź
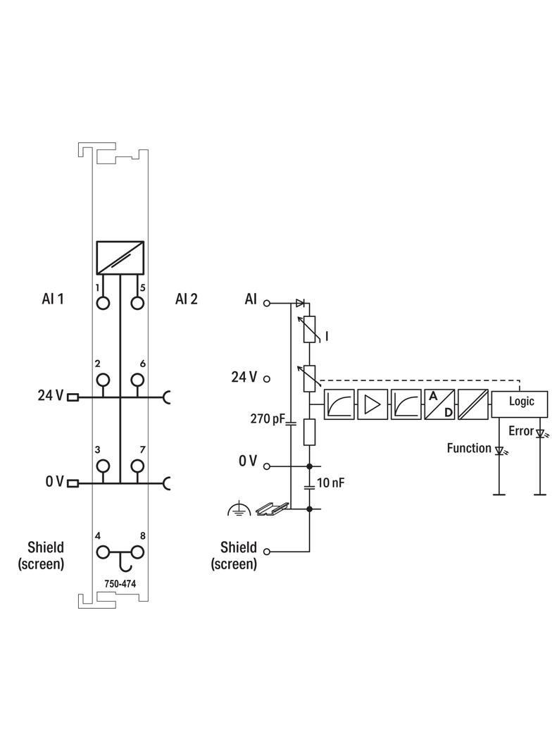
moduł 2AI 4-30mA 16bit wejścia niesymetryczne
moduł 2AI 4-30mA 16bit wejścia niesymetryczne
moduł 2AI 4-30mA 16bit wejścia niesymetryczne
moduł 2AI 4-30mA 16bit wejścia niesymetryczne
WAGO ELWAG

moduł 2AI 4-30mA 16bit wejścia niesymetryczne

Kod produktu490747
EAN4045454393311
Jednostkaszt
Numer katalogowy750-474/000-200
Link do producentaWAGO ELWAG
Podstawowe dane techniczne
Kraj pochodzenia
Niemcy
ETIM
EC001596
24h
Magazyn: 0
14 dni
Producent: 0
Punkty w Elektroklub: pt.

moduł wejść analogowych 2-kanałowy; 4 … 20 mA; wejścia niesymetryczne; 16 bitów; format danych Simatic S5