Menu
Konto
0
Ulubione
0
Koszyk
Biuro:
tel. +48 (81) 710 11 25
pon.-pt.: 8:00 – 18:00
Darmowa dostawa od 200 zł
Sprawdź
Blog
Oddziały hurtowe
Polski / PLN
Wyświetl cenę
0
0
Koszyk:
0,00 zł
Kategorie
Producenci
Promocje
Konfiguratory
Strefa porad
Programy partnerskie
Zostań naszym klientem
Kontakt
Strona główna
Złącza wtykowe
Złącze wtykowe płytek drukowanych
MCS-MIDI Classic wtyk 12-bieg. czarny raster 7,5 mm
WAGO ELWAG
MCS-MIDI Classic wtyk 12-bieg. czarny raster 7,5 mm
Kod produktu
482654
EAN
4044918932332
Jednostka
szt
Numer katalogowy
231-872/001-000
Link do producenta
WAGO ELWAG
Podstawowe dane techniczne
ETIM
EC002637
Kraj pochodzenia
Polska
24h
Magazyn: 0
14 dni
Producent: 0
Punkty w Elektroklub: pt.
Dodaj do ulubionych
Opis produktu
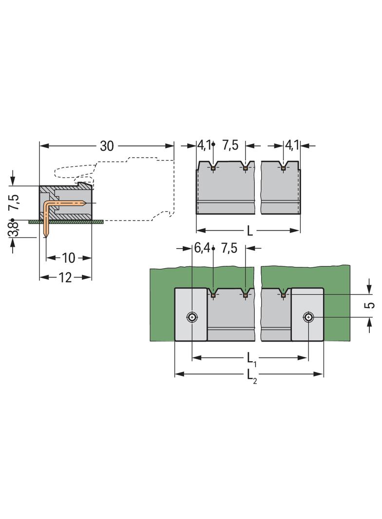
wtyk
THT
; pin lutowniczy 1,2 × 1,2 mm; konstrukcja kątowa; raster 7,5 mm; 12-bieg.; szary
Dane techniczne
ETIM:
EC002637
Kraj pochodzenia:
Polska
Numer katalogowy:
231-872/001-000