Biuro: tel. +48 (81) 710 11 25 pon.-pt.: 8:00 – 18:00
Darmowa dostawa od 200 zł Sprawdź
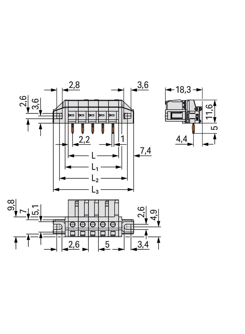
MCS-MIDI Classic gniazdo 2-bieg. j-szare raster 5 mm
MCS-MIDI Classic gniazdo 2-bieg. j-szare raster 5 mm
MCS-MIDI Classic gniazdo 2-bieg. j-szare raster 5 mm
MCS-MIDI Classic gniazdo 2-bieg. j-szare raster 5 mm
MCS-MIDI Classic gniazdo 2-bieg. j-szare raster 5 mm
MCS-MIDI Classic gniazdo 2-bieg. j-szare raster 5 mm
WAGO ELWAG

MCS-MIDI Classic gniazdo 2-bieg. j-szare raster 5 mm

Kod produktu1040401
EAN4045454104603
Jednostkaszt
Numer katalogowy722-232/031-000
Link do producentaWAGO ELWAG
Podstawowe dane techniczne
ETIM
EC002637
Kraj pochodzenia
Niemcy
24h
Magazyn: 0
14 dni
Producent: 0
Punkty w Elektroklub: pt.

gniazdo THT; konstrukcja kątowa; raster 5 mm; 2-bieg.; 100% ochrona przed błędnym połączeniem; kołnierz mocujący; pin lutowniczy 0,6 × 1,0 mm; jasnoszary