Biuro: tel. +48 (81) 710 11 25 pon.-pt.: 8:00 – 18:00
Darmowa dostawa od 200 zł Sprawdź
gniazdo THT
gniazdo THT
gniazdo THT
gniazdo THT
gniazdo THT
gniazdo THT
WAGO ELWAG

gniazdo THT

Kod produktu1306440
EAN4044918534475
Jednostkaszt
Numer katalogowy722-242/047-000
Link do producentaWAGO ELWAG
Podstawowe dane techniczne
ETIM
EC002637
Kraj pochodzenia
Niemcy
24h
Magazyn: 0
14 dni
Producent: 0
Punkty w Elektroklub: pt.

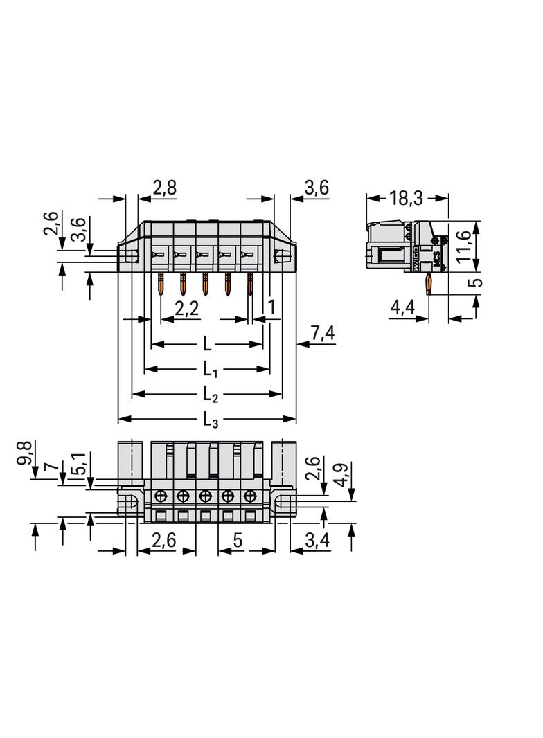
gniazdo THT; konstrukcja kątowa; raster 5 mm; 12-bieg.; 100% ochrona przed błędnym połączeniem; dystansowy uchwyt montażowy; pin lutowniczy 0,6 × 1,0 mm; jasnoszary