Menu
Konto
0
Ulubione
0
Koszyk
Biuro:
tel. +48 (81) 710 11 25
pon.-pt.: 8:00 – 18:00
Darmowa dostawa od 200 zł
Sprawdź
Blog
Oddziały hurtowe
Polski / PLN
Wyświetl cenę
0
0
Koszyk:
0,00 zł
Kategorie
Producenci
Promocje
Konfiguratory
Strefa porad
Programy partnerskie
Zostań naszym klientem
Kontakt
Strona główna
Złącza wtykowe
Złącze wtykowe płytek drukowanych
gniazdo
WAGO ELWAG
gniazdo
Kod produktu
1307342
EAN
4050821446347
Jednostka
szt
Numer katalogowy
770-883/011-000
Link do producenta
WAGO ELWAG
Podstawowe dane techniczne
ETIM
EC002637
Kraj pochodzenia
Polska
24h
Magazyn: 0
14 dni
Producent: 0
Punkty w Elektroklub: pt.
Dodaj do ulubionych
Opis produktu
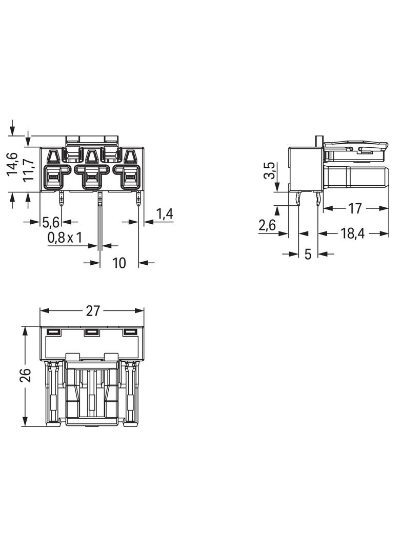
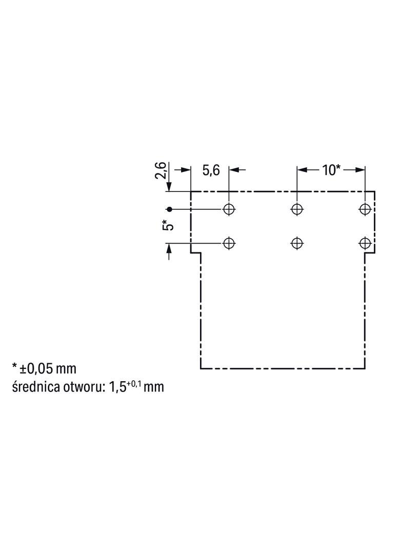
gniazdo do
PCB
; konstrukcja kątowa; 3-bieg.; kodowanie B; różowy
Dane techniczne
ETIM:
EC002637
Kraj pochodzenia:
Polska
Numer katalogowy:
770-883/011-000