:fill(white)/cae0085187d34a53ec22789b1579f098.jpg)
:fill(white)/c83958439b0cf6f7b06324dfa8314684.jpg)
:fill(white)/cae0085187d34a53ec22789b1579f098.jpg)
:fill(white)/c83958439b0cf6f7b06324dfa8314684.jpg)
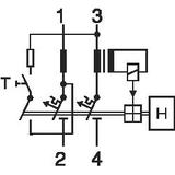
Wysokiej jakości wyłącznik różnicowoprądowy/miniaturowy z zabezpieczeniem nadprądowym niezależnym od napięcia sieciowego; wskaźnik położenia styku czerwono-zielony; zabezpieczenie zacisków z tyłu; potrójny zatrzask ślizgowy z możliwością demontażu z istniejącego zespołu zamykającego; możliwość doposażenia w dużą gamę akcesoriów; szeroki zakres znamionowych prądów różnicowych; znamionowe prądy robocze do 40 A; wyzwalanie typu B, C, D; znamionowa zdolność łączeniowa 10 kA; możliwość stosowania na zewnątrz (zasilanie na miejscu i rozdzielnica zewnętrzna) do -25°C; możliwość stosowania na zewnątrz (zasilanie na miejscu i rozdzielnica zewnętrzna) do -25°C