:fill(white)/6e478e2f499d636159b5f660d81bac3c.jpg)
:fill(white)/137415c6d0c0d41ef7f00bbf2db7f3cb.jpg)
:fill(white)/6e478e2f499d636159b5f660d81bac3c.jpg)
:fill(white)/137415c6d0c0d41ef7f00bbf2db7f3cb.jpg)
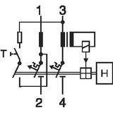
Wysokiej jakości wyłącznik różnicowoprądowy/miniaturowy z zabezpieczeniem nadprądowym niezależnym od napięcia sieciowego; wskaźnik położenia styku czerwono-zielony; zabezpieczenie zacisków z tyłu; potrójny zatrzask ślizgowy z możliwością demontażu z istniejącego zespołu zamykającego; możliwość doposażenia w dużą gamę akcesoriów; szeroki zakres znamionowych prądów różnicowych; znamionowe prądy robocze do 40 A; wyzwalanie typu B, C, D; znamionowa zdolność łączeniowa 10 kA; możliwość stosowania na zewnątrz (zasilanie na miejscu i rozdzielnica zewnętrzna) do -25°C; możliwość stosowania na zewnątrz (zasilanie na miejscu i rozdzielnica zewnętrzna) do -25°C