Biuro: tel. +48 (81) 710 11 25 pon.-pt.: 8:00 – 18:00
Darmowa dostawa od 200 zł Sprawdź
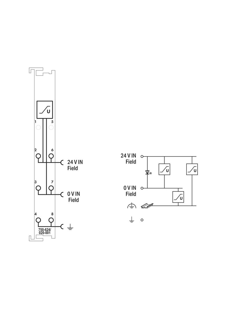
filtr magistrali obiektowej
filtr magistrali obiektowej
filtr magistrali obiektowej
filtr magistrali obiektowej
WAGO ELWAG

filtr magistrali obiektowej

Kod produktu1307068
EAN4050821328742
Jednostkaszt
Numer katalogowy750-624/020-001
Link do producentaWAGO ELWAG
Podstawowe dane techniczne
Kraj pochodzenia
Niemcy
ETIM
EC001600
24h
Magazyn: 0
14 dni
Producent: 0
Punkty w Elektroklub: pt.

moduł filtra (przeciwprzepięciowy) magistrali obiektowej; 24 V DC; podwyższona izolacyjność; bez styków mocy magistrali obiektowej