Menu
Konto
0
Ulubione
0
Koszyk
Biuro:
tel. +48 (81) 710 11 25
pon.-pt.: 8:00 – 18:00
Darmowa dostawa od 200 zł
Sprawdź
Blog
Oddziały hurtowe
Polski / PLN
Wyświetl cenę
0
0
Koszyk:
0,00 zł
Kategorie
Producenci
Promocje
Konfiguratory
Strefa porad
Programy partnerskie
Zostań naszym klientem
Kontakt
Strona główna
Systemy prowadzenia kabli i przewodów
Przepust kablowy
EDR 25-20, DŁAWIK ELASTYCZNY
OBO BETTERMAN
EDR 25-20, DŁAWIK ELASTYCZNY
Kod produktu
195744
EAN
4012195246909
Jednostka
szt
Numer katalogowy
2011506
Link do producenta
OBO BETTERMAN
Podstawowe dane techniczne
ETIM
EC000451
24h
Magazyn: 0
14 dni
Producent: 0
Punkty w Elektroklub: pt.
Dodaj do ulubionych
Opis produktu
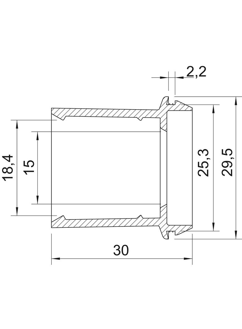
Uszczelka wtykowa do puszek odgałęźnych do bezpośredniego montażu rur metrycznych
Dane techniczne
Numer katalogowy:
2011506
ETIM:
EC000451
Pliki do pobrania
2
Deklaracja RoHS
2011506-RoHS.pdf
Karta produktu
EDR_25_16-20_LGR-2011506-pl_PL.pdf