Biuro: tel. +48 (81) 710 11 25 pon.-pt.: 8:00 – 18:00
Darmowa dostawa od 200 zł Sprawdź
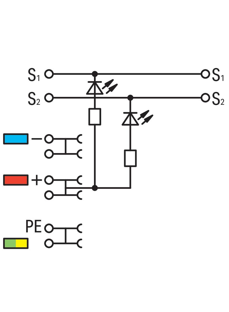
4-przewodowa złączka do czujników
4-przewodowa złączka do czujników
4-przewodowa złączka do czujników
4-przewodowa złączka do czujników
WAGO ELWAG

4-przewodowa złączka do czujników

Kod produktu1303504
EAN4055143452885
Jednostkaszt
Numer katalogowy2000-5410/1101-951
Link do producentaWAGO ELWAG
Podstawowe dane techniczne
Kraj pochodzenia
Niemcy
ETIM
EC000900
24h
Magazyn: 0
14 dni
Producent: 0
Punkty w Elektroklub: pt.

złączka sygnałowa 4-piętrowa; LED żółta; typu NPN; z przyłączem PE, bez stopki PE; 1 mm²; Push-in CAGE CLAMP®; 1,00 mm²; szary