Biuro: tel. +48 (81) 710 11 25 pon.-pt.: 8:00 – 18:00
Darmowa dostawa od 200 zł Sprawdź
2-przew. złączka do płytek drukowanych
2-przew. złączka do płytek drukowanych
2-przew. złączka do płytek drukowanych
2-przew. złączka do płytek drukowanych
2-przew. złączka do płytek drukowanych
2-przew. złączka do płytek drukowanych
2-przew. złączka do płytek drukowanych
2-przew. złączka do płytek drukowanych
WAGO ELWAG

2-przew. złączka do płytek drukowanych

Kod produktu1307039
EAN4050821477631
Jednostkaszt
Numer katalogowy746-2308/000-009
Link do producentaWAGO ELWAG
Podstawowe dane techniczne
ETIM
EC002643
Kraj pochodzenia
Polska
24h
Magazyn: 0
14 dni
Producent: 0
Punkty w Elektroklub: pt.

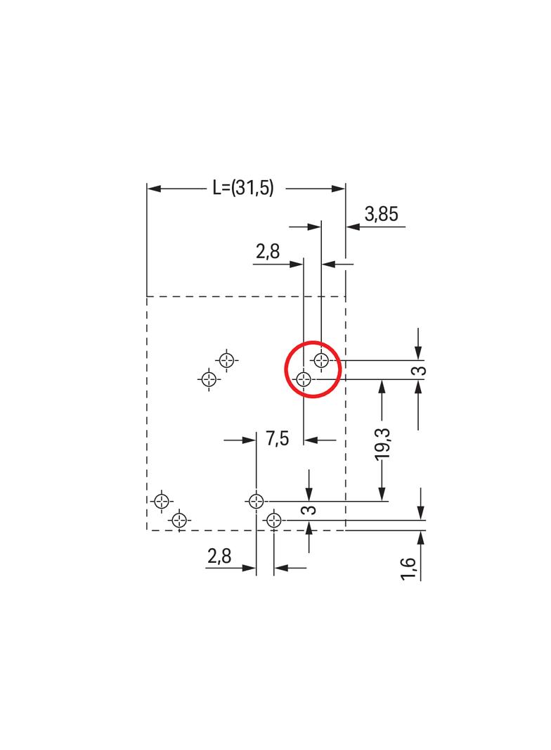
złącze 2-przewodowe do PCB; 10 mm²; raster 7,5 mm; 8-bieg.; Push-in CAGE CLAMP®; 10,00 mm²; jasnoszary