Menu
Konto
0
Ulubione
0
Koszyk
Biuro:
tel. +48 (81) 710 11 25
pon.-pt.: 8:00 – 18:00
Darmowa dostawa od 200 zł
Sprawdź
Blog
Oddziały hurtowe
Polski / PLN
Wyświetl cenę
0
0
Koszyk:
0,00 zł
Kategorie
Producenci
Promocje
Konfiguratory
Strefa porad
Programy partnerskie
Zostań naszym klientem
Kontakt
Strona główna
Przemysłowe Programowalne Sterowniki Logiczne PLC
Fieldbus, system rozproszony - moduł funkcyjny / technologiczny
2 licznik góra 16bit 5kHz
WAGO ELWAG
2 licznik góra 16bit 5kHz
Kod produktu
490634
EAN
4045454429799
Jednostka
szt
Numer katalogowy
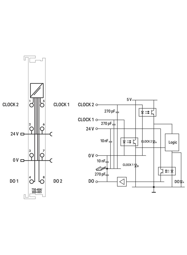
750-404/000-005
Link do producenta
WAGO ELWAG
Podstawowe dane techniczne
ETIM
EC001601
Kraj pochodzenia
Niemcy
24h
Magazyn: 0
14 dni
Producent: 0
Punkty w Elektroklub: pt.
Dodaj do ulubionych
Opis produktu
2 liczniki przyrostowe; 16 bitów
Dane techniczne
ETIM:
EC001601
Kraj pochodzenia:
Niemcy
Numer katalogowy:
750-404/000-005